SYMBOL

DESCRIPTION
A solenoid-operated, 4-way, 2-position, direct-acting, spool-type, screw-in hydraulic cartridge valve.
OPERATION
When de-energized, the E-SV12-42 allows flow from 3 to 4, as well as from 2 to 1. When energized, the spool shifts to block from at all ports.
FEATURES:
* Continous-duty rated coil.
* Hardened seat for long life and low leakage.
* Optional coil voltages and terminations.
* All ports may be fully pressurized.
* Manual override option.
* Heavy-duty waterproof E-Coils rated up to IP69K.
* Industry common cavity.
* Compact size.
SPECIFICATIONS:
Operating Pressure: 240 bar (3500 psi)
Internal Leakage: 412 cc/min. (25 in³ ml/min.) max. at 240 bar (3500 psi)
Temperature: - 40°C ~ +120°C (with Standard Buna N seals)
Coil Duty Rating: See Chart;
Response Time: Pull-In: 100 ms; Drop-Out: 100 ms
Fluids: Mineral-based or synthetics with lubricating properties at viscosities of 7.4 to 420 cSt (50 to 2000 sus);
Cavity: VC12-4
PERFORMANCE:


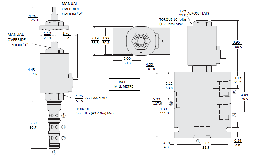
DIMENSIONS
ORDER CODE:

AAK Hydraulic Valve is a top manufacturer for Solenoid Cartridge Valves in Ningbo China since 2009.
We guarantee quality for 3 years for non-standard customized valves: No leakage, No Noise, No Vibration.
Contact us to customize your valves and promote your business with our premium quality!

