Note: this is a new model that needs certain MOQ to be customized. No stock available.
SYMBOL

DESCRIPTION
A solenoid-operated, 5-way, 3 position, proportional, screw-in hydraulic cartridge valve with integral load-sense port.
OPERATION
When de-energized, the E-SP10-57D blocks flow at 5 while allowing flow from both 2 and 4 to 3. When coil#1 is energized, flow is allowed from 5 to 2, and from 4 to 3.
When coil #2 is energized, flow is allowed from 5 to 4, and from 2 to 3. Load sense is connected to port 5 when the spool is in shifted positions.
Note: If low voltage is expected on the machine, 12 or 24 volt systems will require the use of 10 volt or 20 volt coils respectively.
SPECIFICATIONS:
Operating Pressure: 250 bar (3625 psi)
Flow: 22.7 lpm max. (6 gpm)
Internal Leakage: 246 cc /minute max. at 207 bar (3000 psi)
Minimum Pull-10 Voltage: 85% of nominal at 207 bar;
Fluids: Mineral-based or synthetics with lubricating properties at viscosities of 7.4 to 420 cSt (50 to 2000 sus);
Cavity: VC10-5
PERFORMANCE:



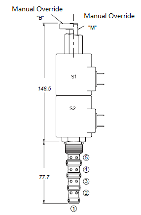
DIMENSIONS

ORDER CODE:

AAK Hydraulic Valve is a top manufacturer for Hydraulic Screw-in Cartridge Valves in Ningbo China since 2009.
We guarantee quality for 3 years for non-standard customized valves: No leakage, No Noise, No Vibration.
Contact us to customize your valves and promote your business with our premium quality!

