SYMBOL

DESCRIPTION
Proportional, solenoid-actuated, 2-way, seated, normally closed, hydraulic threaded cartridge valves for shut-off or load holding applications requiring low leakage.
OPERATION
When de-energized, the E-SP08-20X acts as a check valve, allowing flow from 1 to 2, while blocking flow from 2 to 1. When energized, the poppet lifts to open the 2 to 1 flow path, and the flow rate will be proportional to the current applied to the coil. Emergency manual control can also change the flow. Note: When used at lower voltages, 12 or 24 systems use 10 or 20 V coils respectively.
The back pressure of oil port 4 is added to the pressure set value.
SPECIFICATIONS:
Max. Operating Pressure: 250 bar (3500 psi)
Flow: 22 L/min (6 gpm) at 24.5 bar pressure drop
Min Operating Flutter/Pulse Frequencey: 70Hz
Hysteresis: <5% within 85% of the maximum current; less than 10% above 85% of the maximum current;
Max Internal Leakage: 5 drops/min at 250 bar;
Temperature: - 40°C ~to +120 °C (with Standard Buna N seals)
Fluids: Mineral-based or synthetics with lubricating properties at viscosities of 7.4 to 420 cSt (50 to 2000 sus);
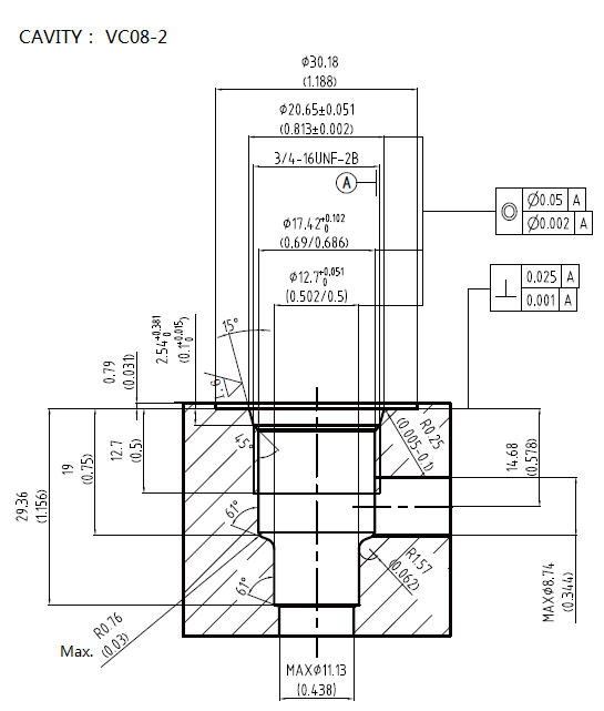
Cavity: VC08-2
PERFORMANCE:

DIMENSIONS 

ORDER CODE:

AAK Hydraulic Valve is a top manufacturer for Hydraulic Solenoid Cartridge Valves in Ningbo China since 2009.
We guarantee quality for 3 years for non-standard customized valves: No leakage, No Noise, No Vibration.
Contact us to customize your valves and promote your business with our premium quality!

