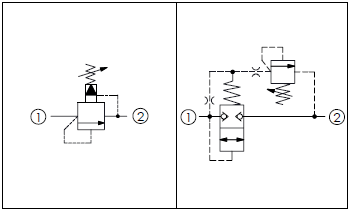
SYMBOL

OPERATION
Pilot-operated, balanced-poppet relief cartridges are normally closed pressure regulating valves. When the pressure at the inlet (port 1) reaches the valve setting, the valve starts to open to tank (port 2), throttling flow to regulate the pressure. These valves are accurate, smooth, quiet, fast, and have low pressure rise vs. flow.
SPECIFICATIONS:
Max. Operating Pressure: 350 bar (5000 psi)
Flow: 200 L/min (50 gpm)
Internal Leakage: 10 drops/min.@reseat
Response Time - Typical: 7 ms
Temperature: - 30°C to +120°C (- 22°F to +250°F)
Cavity: T-3A
Fluids: Mineral-based fluids with viscosities of 7.4 to 420 cSt.
Installation Turque: 60 - 70 Nm
PERFORMANCE:

DIMENSIONS
ORDER CODE:

AAK Hydraulic Valve is a top manufacturer for Hydraulic Cartridge Relief Valves in Ningbo China since 2009.
We guarantee quality for 3 years for non-standard customized valves: No leakage, No Noise, No Vibration.
Contact us to customize your valves and promote your business with our premium quality!

