SYMBOL

DESCRIPTION
The E-FRS*.G14 is a direct acting, drop-in insert type, 2-way pressure compensated flow control valve.
OPERATION
The flow rate of this valve in the 1 to 2 flow path is largely independent of the system pressure and is determined by the dimension of a calibrated orifice. The valve can not be adjusted for variable flow output. Free flow in the 2 to 1 path is allowed and not pressure compensated.
NOTE: The performance chart illustrates flow handling capacity in the pressure compensated mode for a few significant flow settings.
P/Q curves are recorded at TOil = 40°C and 46 cSt.
FEATURES:
SPECIFICATIONS:
Max. Operating Pressure: 250 bar (3600 psi)
Max. Pressure Compensated Flow: 15 L/min (3.75 gpm)
Temperature Range: - 30°C ~ +110 °C (with Buna N seals)
Fluids: Mineral based or synthetics with lubricating properties at viscosities of
Installation Torque: 3 - 5 Nm
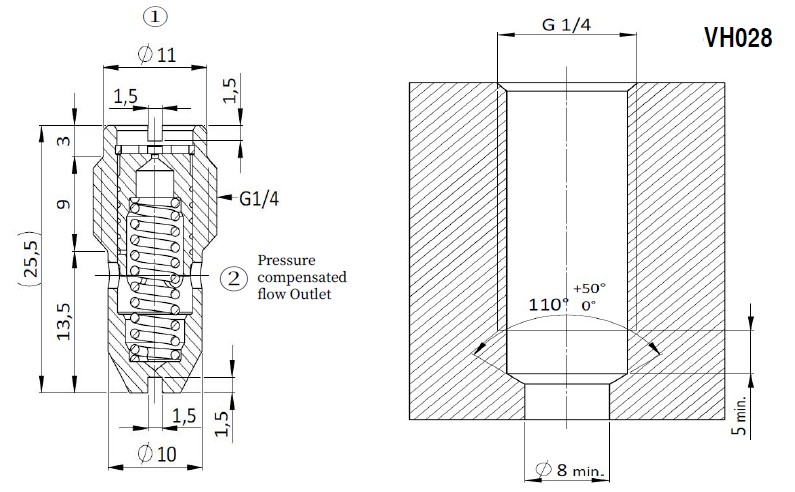
Cavity: VH028
PERFORMANCE
DIMENSIONS:

ORDER CODE:

AAK Hydraulic Valve is a top manufacturer for Hydraulic Screw-in Cartridge Valves in Ningbo China since 2009.
We guarantee quality for 3 years for non-standard customized valves: No leakage, No Noise, No Vibration.
Contact us to customize your valves and promote your business with our premium quality!

