SYMBOL

DESCRIPTION
E-FR10-33 is an adjustable, pressure compensated, flow control valve. It CAN be used as a priority type flow regulator, or a restrictive type, 2-way, flow regulator when the bypass line (port 2) is blocked.
OPERATION
The regulated flow increases from closed to fully open, with counter-clockwise adjustment rotation. The valve will maintain the set flow regardless of pressure variations on the regulated or bypass port.
note: it is intended for use with mineral based or synthetic hydraulic fluids with lubricating properties.
FEATURES:
* Bypass port 2 may be fully pressurized.
* Fine low-torque adjustment.
* Hardened steel parts for long life.
* Quiet, modulated response.
* Industry-common cavity.
SPECIFICATIONS:
Pressure Ratings: 240 bar (3500 psi)
Regulated Flow:
0 to 12 lpm (0 to 3.2 gpm) Note: 2-ported
0 to 13 lpm (0 to 3.5 gpm) Note: 3-ported
Inlet Flow Rating:
0 to 19 lpm (0 to 5 gpm) Note: Nominal, 3-ported
0 to 26 lpm (0 to 7 gpm) Note: Maximum, 3-ported
Internal Leakage: 33cc/minute (2 cu.in./minute) at 207 bar (3000 psi)
Required adjustment torque: 1.7 Nm (15 in.-pounds) at 207 bar (3000 psi)
Temperature: - 40°C ~ + 120 °C
Fluids: Mineral based or synthetic hydraulic fluid with lubricating properties
Fluid Viscosity Range: 7.4 to 420 cSt (50 – 2000 ssu)
Cavity: VC10-3
PERFORMANCE:
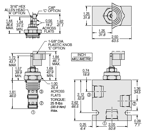
DIMENSIONS:

ORDER CODE:

AAK Hydraulic Valve is a top manufacturer for Hydraulic Screw-in Cartridge Valves in Ningbo China since 2009.
We guarantee quality for 3 years for non-standard customized valves: No leakage, No Noise, No Vibration.
Contact us to customize your valves and promote your business with our premium quality!

