SYMBOL

DESCRIPTION
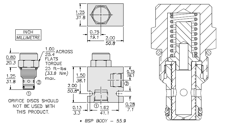
The E-FR10-20F is a screw-in, cartridge style, fixed orifice, pressure compensated, hydraulic flow regulator valve (restrictive type).
OPERATION
The valve maintains a constant flow rate from port 1 to port 2 regardless of load pressure changes. Reverse flow returns through the control orifice and is non-compensated.
FEATURES
* Hardened parts for long life.
* Quiet, modulated response.
* Industry-common cavity.
SPECIFICATIONS:
Working Pressure: 240 bar (3500 psi)
Flow rating: 0.4 to 22.7 lpm (0.1 to 6.0 gpm)
Flow Accuracy: 0.37 ~ 1.85 lpm (0.09 ~ 0.46 gpm) ±20%;
1.89 ~ 5.63 lpm (0.47 ~ 1.4 gpm) ±15%;
5.68 ~ 22.71 lpm (1.42 ~ 5.68 gpm) ±10%;
Temperature Range: -40°C ~ +120 °C (with Buna N seals)
Fluids: Mineral based or synthetic hydraulic fluid with lubricating properties
Fluid viscosity range: 7.4 to 420 cSt (50 to 2000 ssu)
Cavity: 10-2
PERFORMANCE:

DIMENSIONS
ORDER CODE:

AAK Hydraulic Valve is a top manufacturer for Hydraulic Screw-in Cartridge Valves in Ningbo China since 2009.
We guarantee quality for 3 years for non-standard customized valves: No leakage, No Noise, No Vibration.
Contact us to customize your valves and promote your business with our premium quality!

