SYMBOL

DESCRIPTION
The E-CV11-12 is a screw-in, cartridge style, hydraulic check valve for use as a blocking or load-holding device.
OPERATION
A check valve where free flow takes place from port 1 to 2 and is blocked from port 2 to 1.
FEATURES:
* Working components are quenched and ground to reduce leakage and longer service life.
* Rugged design. The maximum rated pressure can reach 350 bar.
SPECIFICATIONS:
Operating Pressure: 350 bar (5000 psi)
Flow Rating: 114 lpm (30 US gpm)
Internal oil leakage ports 2 to 1: Max.0.5 Drops/min. at 350 bar (5000 psi).
Temperature: - 40°C ~ +120 °C
Fuilds: Mineral-based or synthetics with lubricating properties at viscosities of 7.4 to 420 cSt (50 to 2000 sus)
Cavity: C-12-2U
PERFORMANCE:

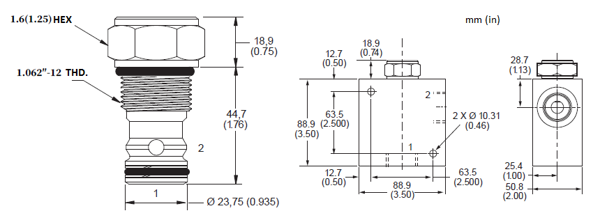
DIMENSIONS
ORDER CODE:

AAK Hydraulic Valve is a top manufacturer for Hydraulic Cartridge Check Valves in Ningbo China since 2009.
We guarantee quality for 3 years for non-standard customized valves: No leakage, No Noise, No Vibration.
Contact us to customize your valves and promote your business with our premium quality!

